1. Introduction
This manual provides essential information for the safe and efficient installation, operation, and maintenance of the Sodeca HCDF-56-6T Wall-Mounted Axial Fan. Please read this manual thoroughly before installation and use, and keep it for future reference.
The Sodeca HCDF-56-6T is an explosion-proof axial fan designed for use in potentially explosive atmospheres, certified according to ATEX directives.
2. Safety Information
WARNING: Failure to follow these safety instructions could result in serious injury or death.
- Installation and maintenance must be performed by qualified personnel only, in accordance with local and national electrical codes and ATEX regulations.
- Ensure the power supply is disconnected before any installation, maintenance, or repair work.
- The fan is designed for specific explosive atmospheres (ExII2G Ex d IIB+H2 T4). Do not use in environments exceeding its certified parameters.
- Verify that the fan's voltage and frequency match the power supply.
- Do not operate the fan if any part is damaged or missing.
- Ensure proper grounding of the fan.
- Protect the fan from foreign objects and ensure the protective grille is always in place during operation.
3. Product Description
The Sodeca HCDF-56-6T is a wall-mounted axial extractor fan specifically designed for use in explosive atmospheres. It features ATEX certification and an explosion-proof ExII2G Ex d motor.
Fan Components:
- Impeller: Made of cast aluminum. Air direction is from motor to impeller.
- Cable Gland: Includes an explosion-proof cable gland.
- Support Frame: Constructed from steel sheet, with an aluminum band in the impeller area as per EN-14986 standard.
- Protective Grille: Contact protection grille compliant with UNE-EN ISO 12499.
Motor:
- Type: Class F motors with ball bearings.
- Protection: IP55 protection.
- Certification: ATEX certified, explosion-proof Ex d IIB+H2 T4.
- Power Supply:
- Single-phase: 230 V 50 Hz
- Three-phase: 230/400 V 50 Hz (up to 4 kW) and 400/690 V 50 Hz (for powers above 4 kW).
- Operating Temperature: -20 ºC to +50 ºC.
Finish:
Anti-corrosive finish with ATEX paint, free of ferrous components, applied with polymerized polyester resin at 190 ºC, following degreasing with a phosphate-free nanotechnological treatment.

Figure 1: Front view of the Sodeca HCDF-56-6T Wall-Mounted Axial Fan, showing the orange impeller blades, protective grille, and square mounting frame. The fan is designed for industrial ventilation.
4. Technical Specifications
| Specification | Value |
|---|---|
| Model | HCDF-56-6T |
| Manufacturer Reference | 1006324 |
| Dimensions (L x W x H) | 38.6 x 71 x 71 cm |
| Weight | 30.5 kg |
| Impeller Diameter | 56 cm |
| Rated Speed | 910 rpm |
| Maximum Airflow | 8400 m³/h |
| Voltage | 230 V (Monophase) / 230/400 V or 400/690 V (Triphase) |
| Power | 4 kW |
| Motor Protection | IP55 |
| ATEX Certification | ExII2G Ex d IIB+H2 T4 |
| Operating Temperature Range | -20 ºC to +50 ºC |
| Cooling Method | Air |
| Color | Beige and Orange |

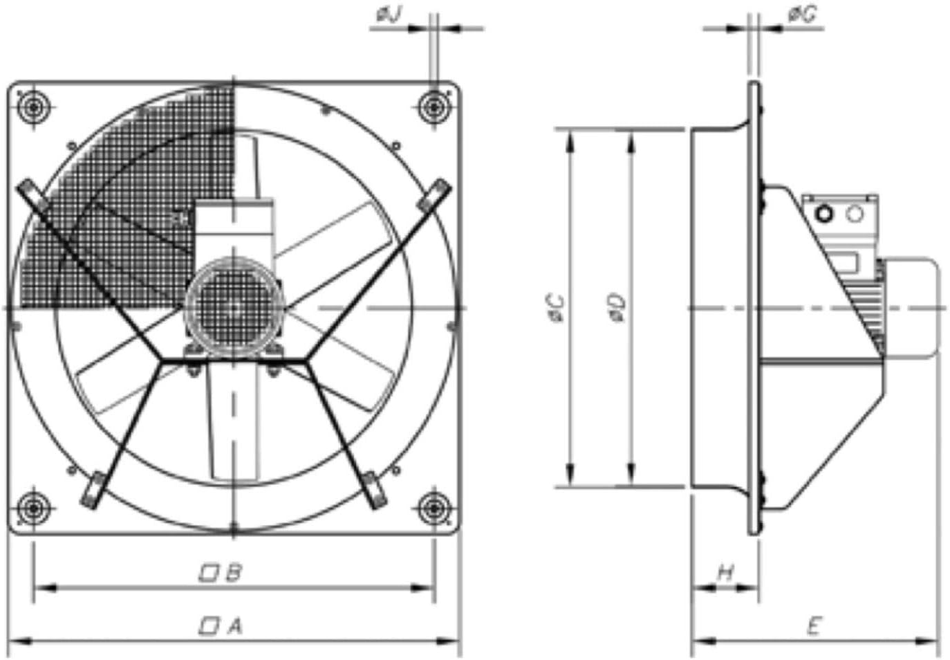
Figure 2: Technical drawing illustrating the dimensions of the Sodeca HCDF-56-6T fan, including overall width, height, depth, and impeller diameter. This diagram is crucial for proper installation planning.
5. Installation
IMPORTANT: All installation procedures must be carried out by qualified and certified personnel, strictly adhering to all relevant national and local electrical and safety regulations, especially those pertaining to ATEX environments.
- Site Selection: Choose a mounting location that is structurally sound and can support the fan's weight (30.5 kg). Ensure adequate clearance for airflow and maintenance. The fan is designed for wall mounting.
- Mounting: Secure the fan's support frame to the wall using appropriate fasteners. Refer to Figure 2 for mounting hole dimensions. Ensure the fan is level and securely fastened to prevent vibration and noise.
- Electrical Connection:
- Before connecting, ensure the main power supply is OFF and locked out.
- Connect the fan to the appropriate power supply (230V single-phase or 230/400V / 400/690V three-phase) as per the motor specifications.
- Use the explosion-proof cable gland provided for secure and compliant wiring entry.
- Ensure proper grounding of the fan and motor.
- All wiring must comply with ATEX directives for electrical installations in hazardous areas.
- Pre-Operation Check:
- Verify all connections are tight and secure.
- Ensure no foreign objects are inside the fan housing or near the impeller.
- Confirm the protective grille is correctly installed and secured.
6. Operation
Once installed and all safety checks are complete, the fan can be operated.
- Power On: Restore power to the fan's circuit.
- Start-up: Activate the fan using the designated control switch. The fan should start smoothly without excessive noise or vibration.
- Monitoring: During initial operation, monitor the fan for any unusual sounds, vibrations, or overheating. If any anomalies are detected, immediately shut down the fan and investigate the cause.
- Continuous Operation: The fan is designed for continuous operation within its specified temperature range (-20 ºC to +50 ºC).
Note: The fan's air direction is from motor to impeller, meaning it extracts air from the motor side and expels it from the impeller side.
7. Maintenance
Regular maintenance is crucial for ensuring the long-term performance and safety of the Sodeca HCDF-56-6T fan, especially in hazardous environments. All maintenance must be performed by qualified personnel with the power disconnected.
- Daily/Weekly Checks:
- Visually inspect the fan for any signs of damage, loose connections, or unusual wear.
- Check for excessive vibration or noise during operation.
- Ensure the protective grille is clean and free of obstructions.
- Monthly/Quarterly Checks:
- Clean the Impeller and Grille: Disconnect power. Carefully clean any dust, debris, or buildup from the impeller blades and protective grille. Accumulation can reduce efficiency and cause imbalance.
- Check Electrical Connections: Disconnect power. Inspect all electrical connections for tightness and signs of corrosion or damage.
- Motor Inspection: Check the motor housing for excessive heat, unusual smells, or signs of damage. The motor bearings are sealed and typically maintenance-free, but listen for unusual bearing noises.
- Annual Checks:
- Structural Integrity: Inspect the mounting frame and all structural components for corrosion, cracks, or fatigue.
- ATEX Compliance Check: For fans in ATEX environments, conduct a thorough inspection to ensure all explosion protection measures remain intact and compliant with relevant standards. This may require specialized inspection.
- Professional Servicing: Consider annual professional servicing by a qualified technician to ensure optimal performance and safety.
8. Troubleshooting
Before attempting any troubleshooting, ensure the power supply is disconnected. If the issue persists after following these steps, contact qualified service personnel.
| Problem | Possible Cause | Solution |
|---|---|---|
| Fan does not start | No power supply Loose electrical connections Motor fault | Check power source and circuit breaker Inspect and tighten all wiring connections Consult qualified technician |
| Excessive noise or vibration | Loose mounting bolts Impeller imbalance (due to dirt/damage) Bearing wear | Tighten all mounting fasteners Clean impeller blades; inspect for damage Consult qualified technician for bearing replacement |
| Reduced airflow | Obstructed grille or impeller Incorrect motor rotation (for three-phase) Motor running slow | Clean grille and impeller Check motor wiring for correct phase sequence Verify correct voltage and frequency supply |
| Motor overheating | Insufficient ventilation around motor Overload Bearing issues | Ensure adequate air circulation Check for obstructions or excessive back pressure Consult qualified technician |
9. Warranty and Support
Sodeca products are manufactured to high-quality standards. For warranty information, please refer to the warranty card included with your product or contact your authorized Sodeca distributor. Keep your purchase receipt as proof of purchase.
For technical support, spare parts, or service, please contact your local Sodeca representative or visit the official Sodeca website. When contacting support, please provide the product model (HCDF-56-6T) and manufacturer reference (1006324).
Sodeca Contact Information:
- Website: www.sodeca.com
- Refer to your product packaging or local distributor for specific contact details.




