مقدمه
This manual provides essential information for the safe and efficient operation, installation, and maintenance of your Bosch Series 4 Dishwasher, model SMS46NB01V. Please read these instructions carefully before using the appliance and keep them for future reference.

شکل 1: جلو view of the Bosch Series 4 Dishwasher SMS46NB01V. This image displays the appliance's sleek black exterior and the integrated control panel at the top.
راه اندازی و نصب
Proper installation is crucial for the performance and longevity of your dishwasher. This model is designed as a freestanding unit.
ابعاد و وزن
- ابعاد محصول (عمق x عرض x ارتفاع): 60 × 60 × 84.5 سانتی متر
- وزن مورد: 52 کیلوگرم
الزامات برق
- جلدtage: 240 ولت
- واتtage: 2400 وات
اجزای شامل
The dishwasher comes with an inlet hose for water connection.
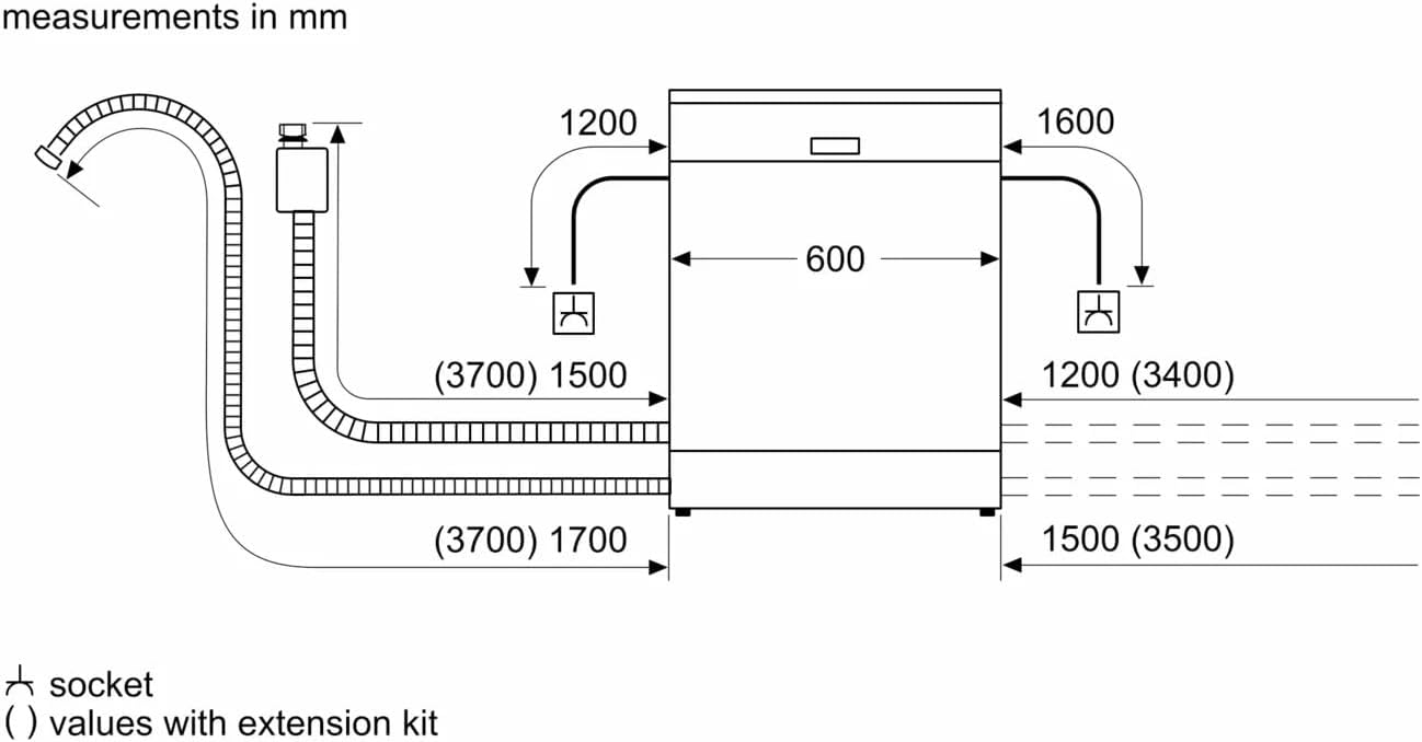
نمودار نصب

شکل 2: Installation diagram showing typical dimensions and connection points for the dishwasher. Measurements are provided in millimeters, indicating water inlet, drain hose, and electrical socket positions. Values in parentheses indicate measurements with an extension kit.
For detailed installation instructions, including water supply and drainage connections, please refer to the separate installation guide provided with your appliance or consult a qualified technician.
دستورالعمل های عملیاتی
Your Bosch Series 4 Dishwasher is designed for efficient cleaning of up to 13 place settings.
کنترل پنل تمام شدview

شکل 3: Close-up of the dishwasher's control panel. It features push buttons for program selection, special options, and a digital display showing cycle time and status.
The appliance features a digital display and push-button controls for easy program selection and monitoring.
در حال بارگیری ماشین ظرفشویی
Proper loading ensures optimal cleaning results and efficient use of space. The dishwasher has a capacity for 13 place settings.

شکل 4: The lower rack of the dishwasher, shown loaded with dinner plates, a pot, and a cutlery basket. This rack is ideal for larger items.

شکل 5: داخلی view of the dishwasher with both upper and lower racks extended. This illustrates the flexible loading options and the spacious design.

شکل 6: The upper rack of the dishwasher, loaded with glasses, cups, and smaller plates. This rack is adjustable for various item heights.

شکل 7: A dedicated cutlery tray, shown loaded with various utensils. This design helps to separate cutlery for thorough cleaning.
اضافه کردن مواد شوینده

شکل 8: The detergent dispenser compartment, with a dishwasher tablet placed inside. Ensure the dispenser is closed before starting a cycle.
Open the detergent dispenser and place the recommended amount of dishwasher detergent (powder, gel, or tablet) into the compartment. Close the dispenser lid securely.
انتخاب برنامه
The dishwasher offers 6 main programs and 5 cleaning temperatures:
- دمای شدید ۶۵ درجه سانتیگراد: For heavily soiled pots, pans, and non-delicate dishes.
- Auto 45-65 °C: Automatically adjusts cleaning intensity based on soil level.
- دمای محیط ۵۰ درجه سانتیگراد: برنامه کممصرف برای ظروف با کثیفی معمولی.
- Glass 40 °C: برنامه ملایم برای ظروف شیشهای ظریف
- Quick wash 65 °C: For lightly soiled dishes requiring a faster cycle.
- قبل از شستشو: برای شستشوی ظروفی که بعداً شسته می شوند.
Additionally, there are 3 special options to enhance your wash cycle:
- نیم بار: Reduces water and energy consumption when washing fewer dishes.
- هایژن پلاس: Increases the final rinse temperature for enhanced hygiene.
- شستشوی اضافی: Provides an additional rinse cycle for thorough cleaning.
Select the desired program and any special options using the control panel buttons. Press the 'Start' button to begin the cycle.
نگهداری و مراقبت
نگهداری منظم، عملکرد بهینه را تضمین میکند و طول عمر ماشین ظرفشویی شما را افزایش میدهد.
تمیز کردن فیلترها
Periodically check and clean the filter system at the bottom of the dishwasher tub. Remove any food particles or debris to prevent blockages and ensure efficient drainage.
تمیز کردن بازوهای اسپری
Ensure the spray arm nozzles are not blocked. If necessary, remove the spray arms and clean any clogged holes with a thin object.
تمیز کردن بیرونی
سطوح خارجی ماشین ظرفشویی را با یک پارچه نرم و لطیف پاک کنید.amp پارچه. از پاککنندههای ساینده یا حلالهایی که میتوانند به روکش آسیب بزنند، خودداری کنید.
Salt and Rinse Aid Indicators
Monitor the salt and rinse aid indicator lights on the control panel. Refill these compartments as needed to ensure proper water softening and drying results.
عیب یابی
قبل از تماس با خدمات مشتریان، لطفاً به موارد و راهحلهای رایج زیر مراجعه کنید:
- ظرفها تمیز نیستند: Check filter system for blockages, ensure spray arms are not obstructed, verify proper loading, and confirm detergent dispenser is functioning.
- آب تخلیه نمیشود: شلنگ تخلیه را از نظر پیچ خوردگی یا گرفتگی بررسی کنید. سیستم فیلتر را تمیز کنید.
- روشن نشدن ماشین ظرفشویی: Ensure the door is fully closed and latched. Check power supply and circuit breaker.
- صداهای غیرمعمول: Check for foreign objects in the pump area or spray arms. Ensure dishes are not interfering with spray arm rotation.
For more complex issues, consult the full troubleshooting guide in the comprehensive manual or contact Bosch customer support.
مشخصات
| ویژگی | جزئیات |
|---|---|
| نام تجاری | BOSCH |
| نام مدل | پیامک46NB01V |
| فاکتور فرم | مستقل |
| ظرفیت | 13 تنظیمات مکان |
| تعداد برنامه ها | 6 |
| گزینه های ویژه | Half Load, HygienePlus, Extra Rinse |
| Cleaning Temperatures | 5 |
| نوع کنترل ها | دکمه فشاری |
| ویژگی های خاص | نمایشگر دیجیتال |
| ابعاد محصول (D x W x H) | 60 × 60 × 84.5 سانتی متر |
| وزن مورد | 52 کیلوگرم |
| جلدtage | 240 ولت |
| واتtage | 2400 وات |
| کارایی | A |
| مصرف سالانه انرژی | 191 کیلووات ساعت |
| سطح نویز | ۴۵ دسیبل |
| نوع مواد | Glass (likely referring to interior components or finish) |
| اجزای شامل | شیلنگ ورودی |
| تاریخ برای اولین بار در دسترس است | 22 سپتامبر 2023 |
اطلاعات گارانتی
Specific warranty details for the Bosch Series 4 Dishwasher SMS46NB01V are typically provided with the purchase documentation. Please refer to the warranty card or contact your retailer for information regarding coverage, terms, and conditions.
پشتیبانی مشتری
برای دریافت کمک فنی، قطعات یدکی یا سوالات مربوط به خدمات، لطفاً با پشتیبانی مشتریان بوش تماس بگیرید. میتوانید اطلاعات تماس را در وبسایت رسمی بوش پیدا کنید. webسایت یا در مستندات محصول شما.
رسمی بوش Webسایت: www.bosch-home.com
فیلم های محصول
در دادههای موجود، هیچ ویدیوی رسمی از محصول از فروشنده برای این مدل ارائه نشده است.