1. Introduction
This manual provides essential information for the safe and efficient operation, installation, and maintenance of the FPBIGCHA RWB12 Miniature Electromagnetic Loss of Power Brake. Please read this manual thoroughly before using the product to ensure proper function and safety.
2. Safety Information
Always observe the following safety precautions to prevent injury or damage to the product and associated equipment:
- Ensure all power sources are disconnected before attempting any installation, maintenance, or inspection procedures.
- Installation and electrical connections should only be performed by qualified and experienced personnel.
- Do not exceed the specified voltage, current, or operational frequency ratings of the brake.
- Protect the brake from moisture, dust, and corrosive environments to prevent malfunction and premature wear.
- Regularly inspect the brake for any signs of wear, damage, or loose connections.
3. Product Overview
The FPBIGCHA RWB12 is a miniature electromagnetic loss of power brake designed for reliable holding and smooth operation in various industrial applications. Its robust construction and efficient design ensure consistent performance.
Key Features:
- Durable Construction: Manufactured from high-quality alloy materials for enhanced durability and extended service life.
- Smooth Engagement: Engineered to provide a low impact force during connection, resulting in smooth starts and stops without significant shock.
- Efficient Heat Dissipation: Features an optimized structure for effective heat management, making it suitable for applications requiring high-frequency operation.
- Compact Design: Its small form factor facilitates easy integration and installation into various machinery.
- Versatile Application: Ideal for use in CNC machine tools, printing machines, and other similar industrial automation equipment.
Product Components:

Image 3.1: Main components of the FPBIGCHA RWB12 Electromagnetic Brake. The image displays the circular brake unit with yellow electrical wiring and a separate square-shaped component, likely an adapter or key.
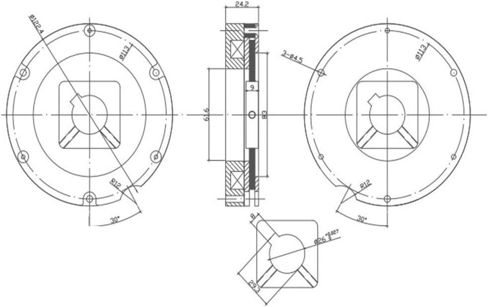
Technical Diagram:

Image 3.2: Detailed technical drawing of the FPBIGCHA RWB12 brake, illustrating various dimensions and mounting points. This diagram includes front, side, and internal views with measurements provided in millimeters.
4. Setup and Installation
Follow these general steps for installing the electromagnetic brake. Always refer to the specific equipment manuals for detailed integration instructions relevant to your application.
- Preparation: Ensure the mounting surface is clean, flat, and free from any obstructions. Confirm that the main power supply to the machine is disconnected and locked out.
- Mounting: Securely attach the brake unit to the designated location using appropriate fasteners. Verify proper alignment with the shaft or component it is intended to engage.
- Electrical Connection: Connect the brake's wiring to the control circuit according to the electrical schematic of your system. Pay close attention to polarity and ensure the voltage requirements match the brake's specifications.
- Testing: After completing the physical and electrical installation, perform a functional test to confirm that the brake engages and disengages correctly. Begin testing with low power or in a controlled environment.
5. Operating Instructions
The RWB12 is designed as a loss of power brake, which means it engages when electrical power is removed and disengages when power is applied.
- Engagement: When the electrical power supply to the brake is interrupted or turned off, the internal mechanism will engage, effectively holding the connected machinery or component in a fixed position.
- Disengagement: When electrical power is supplied to the brake, the electromagnetic force will overcome the spring force, causing the brake to disengage and allowing the connected mechanism to move freely.
- Control: Integrate the brake's power supply into your machine's control system for automated and precise engagement and disengagement as required by your application.
6. Maintenance
Regular maintenance is crucial for ensuring optimal performance, reliability, and extending the operational lifespan of your electromagnetic brake.
- Cleaning: Keep the brake unit clean and free from accumulations of dust, debris, and any lubricants that could interfere with its friction surfaces or electromagnetic operation. Use a dry, soft cloth for cleaning.
- Inspection: Periodically inspect the brake for any visible signs of wear on the friction material, damage to the electrical wiring, or loose mounting connections.
- Environmental Conditions: Ensure the operating environment consistently remains within the specified temperature and humidity ranges to prevent premature wear or potential malfunction.
- Replacement: If significant wear, damage, or a noticeable decrease in performance is observed, replace the brake unit promptly to maintain safety and operational efficiency.
7. Troubleshooting
| Problem | Possible Cause | Solution |
|---|---|---|
| Brake does not engage | Power still applied, faulty wiring, worn friction material, mechanical obstruction. | Verify that the power supply to the brake is completely off. Check all wiring connections for integrity. Inspect and replace if friction material is excessively worn. Remove any obstructions. |
| Brake does not disengage | No power applied, insufficient voltage, coil failure, mechanical binding. | Verify that the correct power supply is applied to the brake. Check the voltage at the brake terminals. Inspect for debris or misalignment causing mechanical binding. If coil failure is suspected, replace the unit. |
| Excessive noise during operation | Misalignment, worn components, foreign objects, improper mounting. | Check and correct the alignment of the brake with the shaft. Inspect for worn parts and replace as necessary. Remove any foreign objects. Ensure the brake is securely mounted. |
| Overheating | High-frequency operation beyond specifications, insufficient cooling, continuous slip. | Reduce the operating frequency or duty cycle if it exceeds the brake's specifications. Ensure adequate ventilation and airflow around the brake unit. Check for conditions causing continuous slip. |
8. Specifications
| Attribute | Value |
|---|---|
| Brand | FPBIGCHA |
| Model Number | RWB12 (FPBIGCHA) |
| Material | Alloy |
| Package Dimensions | 1.18 x 0.79 x 0.39 inches |
| Item Weight | 2.2 pounds |
| Assembly Required | No |
| Number of Pieces | 1 |
| ASIN | B0F135WQBN |
9. Warranty and Support
For specific warranty information, technical assistance, or to report any issues with your FPBIGCHA RWB12 Electromagnetic Brake, please contact your original retailer or the manufacturer directly. It is recommended to retain your purchase receipt as proof of purchase for warranty claims.
Manufacturer: FPBIGCHA