Introduction
This manual provides detailed instructions for the installation, operation, and maintenance of your GROHE BauFlow Single-Lever Sink Mixer, Model 31538001. Please read this manual thoroughly before installation and use to ensure proper function and longevity of your product. Keep this manual for future reference.
Safety Information
- Always turn off the main water supply before beginning any installation or maintenance work.
- Ensure all connections are secure to prevent leaks.
- If you are unsure about any step, consult a qualified plumber.
- Protect the product from frost.
Package Contents
Verify that all components are present before starting installation:
- GROHE BauFlow Single-Lever Sink Mixer (Main Unit)
- Mounting Hardware (nuts, washers, gaskets)
- Flexible Connection Hoses (hot and cold)
- Instruction Manual

Image: Rear view of the faucet showing the flexible hot and cold water connection hoses and mounting shaft.
Setup and Installation
Pre-Installation Checks
- Ensure the mounting surface is clean, flat, and free of debris.
- Confirm that the sink hole diameter is appropriate for single-hole installation (typically 34-37mm).
- Verify that hot and cold water supply lines are accessible and can be shut off.
Installation Steps
- Prepare the Faucet: Insert the flexible connection hoses into the base of the faucet. Ensure they are hand-tightened.
- Mount the Faucet: Place the faucet through the hole in the sink or countertop. Ensure the base gasket is correctly positioned between the faucet and the sink surface.
- Secure the Faucet: From underneath the sink, slide the rubber washer, metal washer, and mounting nut onto the threaded shaft. Hand-tighten the nut, then use a basin wrench to fully secure the faucet, ensuring it is aligned correctly.
- Connect Water Lines: Connect the hot water supply line to the hot inlet hose (usually marked with red or on the left) and the cold water supply line to the cold inlet hose (usually marked with blue or on the right). Use appropriate wrenches to tighten connections, but do not overtighten.
- Test for Leaks: Slowly turn on the main water supply. Check all connections for leaks. If leaks occur, tighten the connections slightly until they stop.
- Flush the System: Remove the aerator from the spout. Turn on both hot and cold water for a few minutes to flush out any debris from the lines. Turn off the water, reattach the aerator.

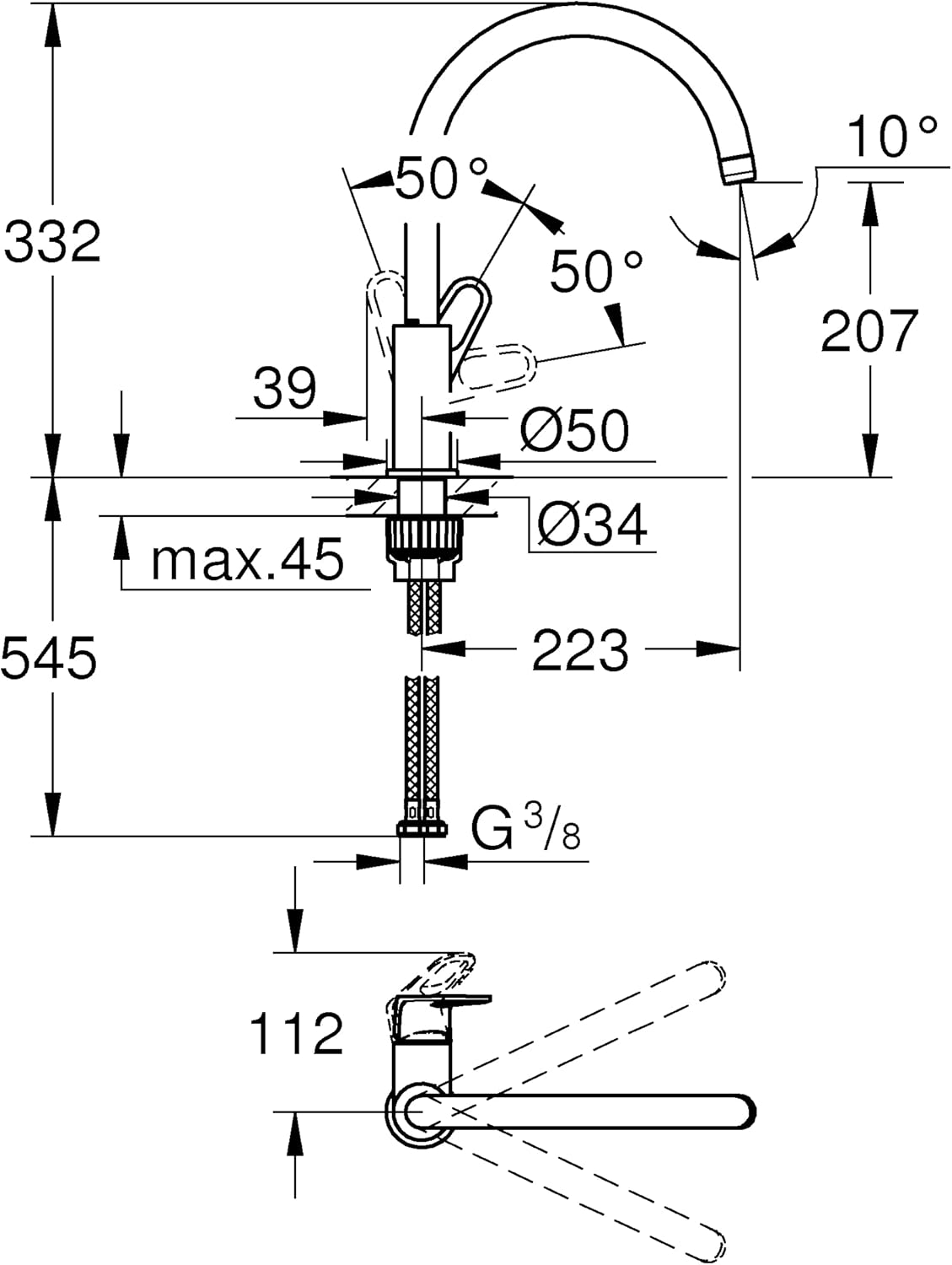
Image: Detailed technical drawing showing the dimensions and installation requirements for the faucet, including spout height, handle movement, and mounting hole diameter.
Operating Instructions
The GROHE BauFlow Single-Lever Sink Mixer is designed for intuitive operation:
- Water Flow Control: Lift the lever handle upwards to increase water flow. Push it downwards to decrease or stop the flow.
- Temperature Control: Move the lever handle to the left for hot water and to the right for cold water. The further left or right you move it, the hotter or colder the water will be.
- Spout Rotation: The high spout can be rotated to direct water flow as needed within the sink area.

Image: Close-up of the single-lever handle, indicating the hot (red) and cold (blue) water positions for temperature adjustment.
Maintenance and Care
To maintain the finish and performance of your GROHE BauFlow faucet:
- Cleaning: Clean the faucet with a soft cloth and mild soap. Avoid abrasive cleaners, scouring pads, or harsh chemicals, as these can damage the chrome finish.
- Aerator Maintenance: Periodically unscrew the aerator from the spout and clean any mineral deposits or debris that may have accumulated. This helps maintain optimal water flow.
- Cartridge Care: The GROHE LongLife ceramic cartridge is designed for durability. If you notice a change in water flow or temperature control, it may indicate a need for professional inspection or cartridge replacement.

Image: Front view of the GROHE BauFlow faucet, showcasing its chrome finish and high spout design, which benefits from regular cleaning.
Troubleshooting
| Problem | Possible Cause | Solution |
|---|---|---|
| Low Water Flow | Clogged aerator; partially closed stopcock; low water pressure. | Clean or replace aerator; ensure stopcocks are fully open; check household water pressure. |
| Leaks at Connections | Loose connections; damaged gaskets. | Tighten connections (do not overtighten); replace damaged gaskets. |
| Water Temperature Issues | Incorrect handle position; issue with water heater; faulty cartridge. | Adjust handle; check water heater settings; consult a plumber for cartridge inspection. |
Specifications
- Brand: GROHE
- Model Number: 31538001
- Style: BauFlow
- Color: Chrome
- Finish: Chrome
- Material: Brass
- Handle/Lever Material: Ceramic, Metal
- Installation Method: Single-hole deck mounted
- Number of Handles: 1
- Number of Holes: 1
- Spout Height: 28 Millimeters (from base to aerator)
- Product Dimensions (L x W x H): 47.5 x 26 x 5 cm; 1.32 kilograms
- Special Feature: Lead-free
- Included Components: Single-lever sink mixer

Image: Visual representation of the faucet's height, approximately 26 inches (64 cm), for scale reference.
Warranty Information
GROHE products are manufactured to the highest standards and undergo rigorous quality checks. For specific warranty terms and conditions applicable to your region, please refer to the warranty card included with your product or visit the official GROHE website. Keep your proof of purchase for warranty claims.
Customer Support
If you require further assistance, have questions not covered in this manual, or need to order spare parts, please contact GROHE customer support. Contact details can typically be found on the GROHE official website or on the product packaging.
Online Resources: Visit the official GROHE website for FAQs, product registration, and additional support materials.